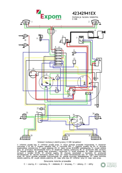
Instalacja kompletna łączona alternator do ciągnika C-330 w marce Expom Kwidzyn eu jest to produkt wykonany z najlepszych komponentów.W instalacji wykorzystano przewody miedziane o oznaczeniu FLY ,posiadają lepsze właściwości plastczne i temperaturowe (-40 do +125C),dzięki czemu są bardziej elastyczne i nie pękają. Każda wiązka poddawana jest kontroli elektrycznej ,odpowiedni dobór najlepszych materiałów zapewnia bezpieczeństwo i długoletnią bezawaryiną pracę układów instalacji.W skład instalacji wchodzą wszystkie przewody, stacyjka, skrzynka bezpiecznikowa, listwa łączeniowa i przełącznik kierunkowskazów.Przewody instalacji są podłączone pod podzespoły wyżej wymienione.
*****
Indeksy zamienne: 42342942,0042342942,42/34-294/2,0042/34-294/242342942A,42342942AU,42342942AEX.
*****
Zastosowanie: Ursus:C-328;C328;C-330;C330.
| Materiał: |
Miedź |
| Napięcie: |
12V |
| Opakowanie: |
1szt |
| Pakowanie po:: |
1 |